關于我們
您現在的位置是:
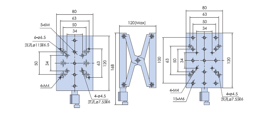
手動升降臺:SS10-60
發布日期:2015-12-10

特點:
用于大行程,不定量,載荷大的升降調整
采用剪形升降支撐,精研絲杠驅動,雙導軌五軸過定位機構
保證運動平穩,舒適,精度高,承載大
上下兩面多孔位設計,適用性強,均可作安裝面
配有鎖緊手輪,安全可靠
底座和臺面均有標準連接孔,方便與其它產品連接


發布日期:2015-12-10

特點:
用于大行程,不定量,載荷大的升降調整
采用剪形升降支撐,精研絲杠驅動,雙導軌五軸過定位機構
保證運動平穩,舒適,精度高,承載大
上下兩面多孔位設計,適用性強,均可作安裝面
配有鎖緊手輪,安全可靠
底座和臺面均有標準連接孔,方便與其它產品連接

